TREMATIC T-Five Beigua Maris – tytanowe divery z nutą retro

Do tej pory marka TREMATIC kojarzyła się ze stylowymi i eleganckimi zegarkami garniturowymi, inspirowanymi latami 50. i 60. oraz estetyką retro. Premierowa linia zegarków jest zatem całkowitym zaskoczeniem. Włoska marka postanowiła zaprezentować swój pierwszy zegarek sportowy – i to nie byle jaki, bo mamy tu do czynienia z diverem wykonanym z tytanu. Czym zaskakuje nas T-Five Beigua Maris?
Monte Beigua
Między gminami Varazze i Sassello, w Apeninach Liguryjskich w północnych Włoszech, monumentalnie wznosi się Monte Beigua. To najwyższy punkt tego regionu – szczyt znajduje się na wysokości 1587 metrów nad poziomem morza. Beigua, oprócz tego, że jest popularnym celem wycieczek turystycznych i kolarskich podjazdów, wyróżnia się także unikalnym położeniem blisko morza. Podobno w całych Włoszech nie ma drugiej tak wysokiej góry, która byłaby tak blisko linii brzegowej – w linii prostej to zaledwie około 7 kilometrów.
Wszyscy ci, którzy uwielbiają górskie wycieczki, a jednocześnie mają w sercu sentyment do morza, mogą w tym miejscu połączyć obie pasje. To właśnie tu góra spotyka się z morzem, a pod jej powierzchnią znajduje się jedna z najbogatszych rezerw tytanu w Europie.
Dlaczego piszę o Monte Beigua? Bez wątpienia nie tylko ze względu na wyjątkowość przyrodniczą i geologiczną tego miejsca. To właśnie ta góra stała się inspiracją dla najnowszej linii zegarkowej marki TREMATIC – mowa o T-Five Beigua Maris.
Mówimy tu o zegarkach absolutnie wyjątkowych na tle całego portfolio marki. Tym razem nie idziemy w stronę klasyki ani garniturowców – to wyraźny zwrot w stronę stylistyki sportowej. I to nie byle jakiej – mamy do czynienia z pełnoprawnym zegarkiem nurkowym.

"Nurki" inspirowane latami 60. XX wieku.
Jeśli śledziliście wcześniejsze publikacje na temat marki TREMATIC, zapewne wiecie, że została ona wskrzeszona stosunkowo niedawno – w 2022 roku. Choć to marka o długiej tradycji, przez wiele lat była całkowicie nieobecna na rynku. Powróciła jednak w wielkim stylu, pielęgnując swoją dawną filozofię oraz podejście do tworzenia zegarków.
Współczesny właściciel, Daniele Campagnano, z ogromną dbałością kontynuuje dziedzictwo marki. TREMATIC zachowuje charakterystyczny styl – nowoczesny, ale mocno osadzony w estetyce retro. Campaniolo jest w tym konsekwentny i precyzyjny – i właśnie takie są nowe divery. Nie są to po prostu współczesne zegarki nurkowe z logiem TREMATIC, lecz projekty, które niosą ze sobą konkretną historię i odniesienie do dziedzictwa marki.
Już pierwszy rzut oka na model TREMATIC T-Five Beigua Maris pozwala zrozumieć, z czym mamy do czynienia. Choć materiały, wykończenie i technologia są jak najbardziej nowoczesne, to sam design wyraźnie nawiązuje do lat 60. XX wieku. W projekcie widać silną inspirację klasycznymi tzw. skin diverami, które były niezwykle popularne właśnie w tamtej dekadzie.
„Skin diver” to określenie na zegarki nurkowe projektowane w latach 50. i 60. XX wieku z myślą o amatorach sportów wodnych. W przeciwieństwie do profesjonalnych diverów przeznaczonych dla zawodowych nurków skin divery charakteryzowały się solidną konstrukcją, czytelną tarczą i dobrą wodoodpornością, ale jednocześnie były znacznie bardziej przystępne cenowo.
TREMATIC T-Five Beigua Maris to właśnie model, który odwołuje się do tamtych kultowych zegarków. Choć jego estetyka i design mają wyraźne retro akcenty, to jednak zastosowane w nim technologie są w pełni XXI-wieczne.

TREMATIC T-Five Beigua Maris
Design
Zacznijmy od tego, co najbardziej rzuca się w oczy – czyli od designu zegarka.
Jak wspomniano wcześniej, stylistyka modelu TREMATIC T-Five Beigua Maris nawiązuje do klasycznych skin diverów z lat 60. XX wieku. Były to zegarki, które wyglądały jak profesjonalne divery, ale były bardziej przystępne cenowo i skierowane głównie do amatorów nurkowania oraz miłośników sportów wodnych.
Zegarek został zaprojektowany tak, aby z jednej strony oddać ducha tamtej epoki, a z drugiej – w pełni wykorzystać potencjał nowoczesnych technologii i współczesnej precyzji zegarmistrzowskiej.
Pierwszym elementem, który przykuwa uwagę, jest przejrzysta i czytelna tarcza. Nadano jej dwustrefową konstrukcję (bi-zonal), co oznacza, że podzielona jest na dwie wyraźnie zaznaczone części, co wzmacnia efekt wizualnej głębi.
Na tarczy znajdują się aplikowane indeksy o charakterystycznym, klinowatym kształcie, a także cyfry arabskie, wykorzystujące czcionkę typową dla marki TREMATIC. Wewnętrzny okrąg tarczy zawiera minuterię – precyzyjne oznaczenia minutowe umieszczone od wewnętrznej strony indeksów. Takie rozwiązanie nie tylko poprawia czytelność, ale także dodaje projektowi wyrazistości i głębi.



Tytanowa koperta
Pamiętacie, jak wspominałam, że pod górą Monte Beigua znajdują się jedne z największych złóż tytanu w Europie? Oto rozwiązanie tej zegarkowej zagadki – T-Five Beigua Maris łączy się z tym miejscem nie tylko symbolicznie, ale również materialnie. Koperta zegarka została wykonana z tytanu klasy 5 (Grade 5 titanium) – materiału cenionego za swoją niezwykłą wytrzymałość i wyjątkową lekkość.
Zastosowanie tytanu sprawia, że zegarek jest niezwykle komfortowy w noszeniu, a przy tym odporny na ekstremalne warunki – zarówno mechaniczne, jak i środowiskowe.
Koperta otrzymała wykończenie w postaci drobnoziarnistego piaskowania, które nadaje jej surowy, techniczny charakter. Dodatkowo całość została wzbogacona o detale polerowane i satynowane – widoczne na bocznej części koperty , deklu, koronce oraz ramce , co dodaje elegancji i zegarmistrzowskiej finezji.
Sam bezel również został wykonany z tytanu klasy 5, a jego wkładkę wykonano z matowej ceramiki. To rozwiązanie nie tylko wpisuje się w retro estetykę modelu, ale również zapewnia wysoką odporność na zarysowania oraz trwałość w codziennym użytkowaniu.

Koperta TREMATIC T-Five Beigua Maris


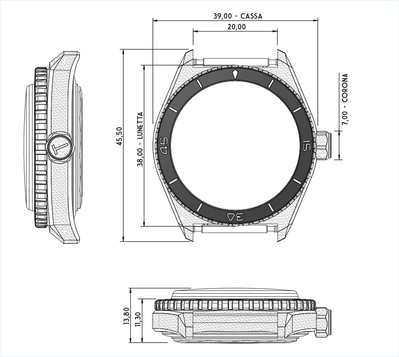
Parametry techniczne
Od strony technicznej mamy tu do czynienia z pełnoprawnym diverem: zegarek wyposażony jest w zakręcaną koronkę oraz wodoodporność na poziomie 30 ATM (300 metrów). To oznacza, że bez obaw można w nim nie tylko pływać, ale również nurkować – zarówno rekreacyjnie, jak i głębiej, z użyciem aparatu oddechowego.
Na tle współczesnych diverów wyróżnia się również średnica koperty, wynosząca 39 mm. Może się to wydawać niewielkie, ale należy pamiętać, że inspiracją dla tego modelu były skin divery z lat 60., a w tamtym okresie rozmiary w okolicach 38–39 mm uchodziły za całkowicie standardowe, a nawet „duże” jak na ówczesne warunki.
Szkło i antyrefleks
Całą tarczę przykrywa wypukłe szkło szafirowe (domed sapphire crystal), które doskonale oddaje klimat vintage, a jednocześnie oferuje pełną ochronę przed zarysowaniami. Co więcej, zastosowano zaawansowane powłoki antyrefleksyjne – aż trzy warstwy od wewnątrz i trzy warstwy od zewnątrz, co znacząco poprawia czytelność w pełnym słońcu lub pod wodą.


Mechanizm
Prawdziwa niespodzianka kryje się jednak we wnętrzu zegarka – a konkretnie w zastosowanym mechanizmie.
Zegarki z najnowszej kolekcji TREMATIC T-Five Beigua Maris napędzane są szwajcarskim automatycznym kalibrem La Joux-Perret G101. To jednostka, która imponuje nie tylko precyzją działania i wysoką kulturą pracy, ale również pięknym, wyrafinowanym wykończeniem.
Jednym z jej największych atutów jest wydłużona rezerwa chodu – aż 68 godzin, co w tej klasie zegarków stanowi bardzo solidny wynik, szczególnie biorąc pod uwagę automatyczny naciąg.
Kaliber G101:
- łożyskowany jest na 24 rubinach,
- pracuje z częstotliwością 28 800 wahnięć na godzinę (4 Hz),
- oferuje funkcję stop-sekundy (czyli zatrzymania wskazówki sekundowej przy ustawianiu czasu),
- umożliwia także ręczne dokręcanie za pomocą koronki.
Mechanizm ten to doskonały kompromis między nowoczesną niezawodnością a elegancją wykonania, idealnie wpisujący się w filozofię marki Trematic: klasyczne wzornictwo wsparte współczesną technologią.

Na koniec…
TREMATIC T-Five Beigua Maris to zegarek, który naprawdę potrafi zaskoczyć. Z jednej strony mamy tu wyraźne inspiracje stylem lat 60., z drugiej – nowoczesne materiały, świetny mechanizm i przemyślane detale. Włoski charakter, szwajcarska precyzja i sportowy sznyt w wydaniu retro? Brzmi jak niezłe połączenie – i dokładnie takie jest.
Tytanowa koperta, pełna luminescencja, czytelna tarcza, 68-godzinna rezerwa chodu… to wszystko pokazuje, że TREMATIC nie idzie na skróty. Tworzy coś swojego – z charakterem, z pomysłem i z historią w tle.
Jeśli szukasz divera, który wyróżni się czymś więcej niż tylko techniczną specyfikacją – może właśnie go znalazłeś.




